Съемник сепараторный 75*105 мм. LICOTA

Съемник сепараторный 75*105 мм. LICOTA
Съемник сепараторный 75*105 мм. LICOTA
  • Производитель: Licota

  • Код товара:

    Т0000008704

  • Артикул:

    ATB-1039

Нет в наличии

Съемник-сепаратор для демонтажа подшипников, шкивов, зубчатых колес и других деталей, имеющих посадку с натягом.

Применяется в автомобильных мастерских, на СТО и на промышленных предприятиях. Съемник 75х105 мм для обслуживания узлов и агрегатов с диаметром снимаемых деталей 15-70 мм.

Особенности

  • За счет своей конструкции, съемник-сепаратор способен сдвинуть деталь вдоль оси вала там, где это невозможно сделать обычным съемником. Обеспечивает большую площадь контакта с демонтируемой деталью. Захваты стягиваются с помощью винтов, обеспечивая прочную фиксацию съемника на детали. Набор удлинителей дает возможность работать с деталями разных размеров.
  • Кованные лапы съемника из хромомолибденовой стали отличаются усталостной прочностью, обеспечивая долгий срок службы при высоких нагрузках.

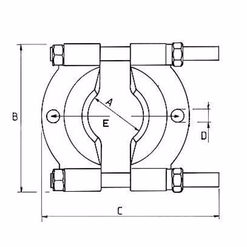
C, мм 168
A, мм 15-70
E, мм 90-148
B, мм 155
D, мм 10

Количество лап Сепараторный

Нет отзывов о данном товаре.

Оставить свой отзыв

Примечание: HTML разметка не поддерживается! Используйте обычный текст!

* Внешний вид, комплектация и стоимость могут отличаться от представленных в интернет-магазине.

Для клиентов всех банков

Разбейте
оплату
на части
без переплат

График платежей

Сегодня
25%
  • Добавляйте товары
    в корзину

  • Оплачивайте сегодня только
    25% картой любого банка

  • Получайте товар
    выбранный способом

  • Оставшиеся 75% будут
    списываться
    с вашей карты
    по 25% каждые 2 недели

Подробнее
об оплате Плайтом
Что такое оплата Плайт?
Это короткая мгновенная беспроцентная рассрочка. Вы оплачиваете сразу только 25%, а оставшиеся части будут списываться автоматически с привязанной карты раз в 2 недели по графику.
Есть ли переплата?
Нет. Вы ничего не переплачиваете. Нет никаких скрытых комиссий.
Это кредит?
Нет, это не кредит. Кредитный договор не оформляется.
Как будут списывать деньги за оставшиеся части?
Всё работает также как в сервисах подписки, например, Яндекс.Музыка или ivi. Вы делаете первый платёж, а дальше с вашей карты списываются средства один  раз в 2 недели.